পণ্যের বিবরণ
এসএফএম 170- ওয়াট মনো-ক্রিস্টালাইন পিভি সোলার প্যানেল উচ্চ মডিউল রূপান্তর দক্ষতা, দীর্ঘমেয়াদী আউটপুট স্থায়িত্ব এবং নির্ভরযোগ্যতার জন্য মানের সিলিকন উপাদান থেকে তৈরি উচ্চ দক্ষতার সৌর কোষ ব্যবহার করে। কার্যত রক্ষণাবেক্ষণ বিনামূল্যে। স্থায়িত্ব এবং বর্ধিত প্রভাব প্রতিরোধের জন্য উচ্চ ট্রান্সমিট্যান্স, কম আয়রন টেম্পার্ড গ্লাস।
আমদানি এবং দেশীয় উপকরণ দিয়ে তৈরি
কালো ব্যাক শিট সহ কালো ফ্রেম
ইতিবাচক শক্তি সহনশীলতা (0 থেকে +3%)
50 পাউন্ড পর্যন্ত শক্তিশালী যান্ত্রিক শক্তি সহ অনন্য ফ্রেম ডিজাইন। বায়ু লোড এবং তুষার বোঝা সহ্য এবং সহজ ইনস্টলেশন
উচ্চ তাপমাত্রা এবং দুর্বল হালকা পরিবেশের অধীনে অসামান্য বৈদ্যুতিক কর্মক্ষমতা
বাইপাস ডায়োডগুলি সিরিজের স্ট্রিংগুলিতে শেডিং প্রভাবগুলি প্রশমিত করে
প্যারামিটার
| বৈদ্যুতিক বৈশিষ্ট্য (এসটিসি*) | |||||||
| মডেল নং (এসএফএম) |
150W |
155W |
160W |
165W |
170W |
175W |
180W |
|
এসটিসিতে সর্বাধিক শক্তি (পিএমএক্স) |
150W |
155W |
160W |
165W |
170W |
175W |
180W |
|
সর্বাধিক পাওয়ার ভোল্টেজ (ভিএমপি) |
18.02 |
18.10 |
18.20 |
18.41 |
18.56 |
18.78 |
19.01 |
|
সর্বাধিক শক্তি কারেন্ট (আইএমপি) |
8.33 |
8.56 |
8.80 |
8.96 |
9.15 |
9.35 |
9.47 |
|
ওপেন সার্কিট ভোল্টেজ (ভিওসি) |
21.62 |
21.72 |
21.84 |
22.09 |
22.27 |
22.54 |
22.62 |
|
শর্ট সার্কিট কারেন্ট (আইএসসি) |
9.07 |
9.33 |
9.58 |
9.77 |
9.94 |
10.16 |
10.32 |
|
সর্বাধিক সিস্টেম ভোল্টেজ (v) |
1000V ডিসি (আইইসি) | ||||||
|
সর্বাধিক সিরিজ ফিউজ রেটিং (ক) |
15A | ||||||
|
শক্তি সহনশীলতা (%) |
0-+3% | ||||||
|
নোক |
45 ± 2 ডিগ্রি | ||||||
|
পিএমএক্স তাপমাত্রা সহগ |
-0। 46%\/ ডিগ্রি | ||||||
|
ভিওসি তাপমাত্রা সহগ |
-0। 346%\/ ডিগ্রি | ||||||
|
আইএসসি তাপমাত্রা সহগ |
0। 065%\/ ডিগ্রি | ||||||
|
অপারেটিং তাপমাত্রা |
-40 থেকে +85 ডিগ্রি থেকে | ||||||
| *এসটিসি (স্ট্যান্ডার্ড পরীক্ষার শর্ত): ইরেডিয়েন্স 1000 ডাব্লু\/㎡, মডিউল তাপমাত্রা 25 ডিগ্রি, এএম 1.5 | |||||||
| ক্লাস এএএ সোলার সিমুলেটর সেরা (আইইসি 60904-9) ব্যবহার করা হয়, পাওয়ার পরিমাপের অনিশ্চয়তার সাথে ± 3% এর মধ্যে | |||||||
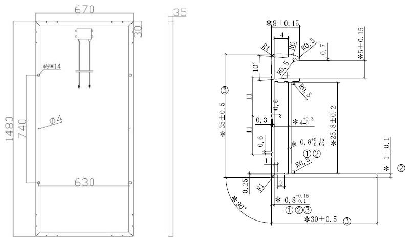
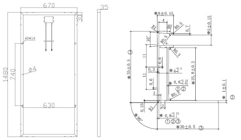
ইঞ্জিনিয়ারিং অঙ্কন (মিমি)

| যান্ত্রিক বৈশিষ্ট্য | |
|
সৌর কোষ |
36 (4 × 9) মনো-ক্রিস্টালাইন সিলিকন সৌর কোষ 156 × 156 মিমি |
|
সামনের গ্লাস |
3.2 মিমি (0। 13in) উচ্চ-সংক্রমণ টেম্পারড গ্লাস |
|
Encapsulat |
ইভা (ইথিলিন-ভিনাইল অ্যাসিটেট) |
|
ফ্রেম |
ডাবল-লেয়ার অ্যানোডাইজড অ্যালুমিনিয়াম খাদ |
|
জংশন বাক্স |
আইপি 67 রেটেড, সেবাযোগ্য বাইপাস ডায়োড সহ |
|
তারগুলি |
ইউভি প্রতিরোধী সৌর কেবল (al চ্ছিক) |
|
সংযোগকারী |
এমসি 4 সামঞ্জস্যপূর্ণ সংযোগকারী (al চ্ছিক) |
|
মাত্রা (l × w × H) |
1480 × 670 × 35 মিমি |
|
ওজন |
12 কেজি |
|
সর্বাধিক |
বায়ু লোড: 2400pa\/তুষার লোড: 5400pa |
| প্যাকিং কনফিগারেশন | |
|
প্যাকিং পরিমাণ |
2 পিসি\/কার্টন |
|
পরিমাণ\/প্যালেট |
50 পিসি\/প্যালেট |
|
লোডিং ক্ষমতা |
569 পিসি\/20 ফুট, 1180 পিসি\/40 ফুট |
বৈশিষ্ট্য
অ্যান্টি-রিফ্লেকশন গ্লাস শক্তি শোষণ বাড়াতে সহায়তা করে, যখন উপরের এবং নিম্ন রৌপ্য সংযোগগুলি কালো ট্যাবগুলি দ্বারা প্রতিস্থাপন করা হয়েছে, টেপ বা কালো টেডলারের অতিরিক্ত স্তর পরিবর্তে, সাদা ব্যাক শিটের সমতুল্য কার্যকারিতা হ্রাসকে হ্রাস করে এবং কম ল্যামিনেট ঘনত্বের কারণে কোষের মাইক্রো ফাটলগুলির ঝুঁকি হ্রাস করে।
এমনকি উচ্চ তাপমাত্রায়, সৌর কোষটি প্রচলিত স্ফটিক সিলিকন সৌর কোষের চেয়ে বেশি দক্ষতা বজায় রাখতে পারে। এটি বিশেষত "সমস্ত-কালো" মডিউলগুলির জন্য প্রাসঙ্গিক, যেখানে তাপ শোষণ বেশি হয়। গ্রীষ্মে বেশিরভাগ বিদ্যুৎ উত্পন্ন হলে সুফু সর্বোত্তম-শ্রেণীর কর্মক্ষমতা সরবরাহ করে। এটি গরম জলবায়ুতে বিশেষভাবে প্রাসঙ্গিক। বিভিন্ন অ্যাপ্লিকেশন, এমনকি কাজের শেড, গ্যারেজ বা শিবিরগুলি আবাসিক এবং বাণিজ্যিক ছাদ সিস্টেমের জন্য আদর্শের জন্য ব্যবহার করা যেতে পারে
গ্রাউন্ড মাউন্ট সামঞ্জস্যপূর্ণ
অন-গ্রিড এবং অফ-গ্রিড ইনভার্টারগুলির সাথে সামঞ্জস্যপূর্ণ
আবাসিক এবং বাণিজ্যিক অ্যাপ্লিকেশনগুলির জন্য কালো সৌর প্যানেল যেখানে দৃশ্যমানভাবে আনন্দদায়ক সৌর প্যানেল এবং সর্বাধিক দক্ষতা সর্বজনীন।
আমাদের সম্পর্কে
কিনহুয়াংডাও সুফু ইলেক্ট্রনিক কোং, লিমিটেড একটি আধুনিক সৌর মডিউল, সৌরজগতের সমাধান এবং পরিষেবা সরবরাহকারী। আমাদের সৌর পণ্যগুলি সৌর মডিউলগুলি থেকে সৌর শক্তি সিস্টেম, সৌর স্ট্রিট লাইট, সৌর মাল্টিফংশনাল চার্জার, সৌর পাম্প এবং ফটো-ভোলটাইক পাওয়ার স্টেশন, বিল্ডিং সংযুক্ত ফটো-ভোলটাইক (বিএপিভি), বিল্ডিং ইন্টিগ্রেটেড ফটো-ভোলটাইক (বিআইপিভি) নকশা এবং নির্মাণ পর্যন্ত রয়েছে।
30, 000 ㎡ এর ওয়ার্কশপগুলি covering েকে রাখা, প্রথম পর্বের বিনিয়োগটি 20 মিলিয়ন আরএমবি, আমাদের বার্ষিক উত্পাদন ক্ষমতা 20 মেগাওয়াট এবং পলি সৌর প্যানেল উভয়ের জন্য 20 মেগাওয়াট।
সুফু বিশ্বকে নির্ভরযোগ্য এবং পুনর্নবীকরণযোগ্য পণ্য সরবরাহ করে যা আন্তর্জাতিকভাবে টিইউভি, সিই, আইইসি এবং আইএসও 9001 ইত্যাদি দ্বারা প্রত্যয়িত রয়েছে
পণ্যটি অস্ট্রেলিয়া, ভারত, জাপান, কোরিয়া, দক্ষিণ আমেরিকা, মধ্য প্রাচ্য, দক্ষিণ -পূর্ব এশিয়া, আফ্রিকা এবং অন্যান্য দেশ সহ বিস্তৃত ক্লায়েন্টদের ক্ষেত্রে প্রযোজ্য।
শংসাপত্র

কেন আমাদের বেছে নিন?
1। 10 বছরেরও বেশি সময় ধরে সৌর প্যানেল এবং সিস্টেমের জন্য পেশাদার সহ আমাদের নিজস্ব কারখানা রয়েছে।
2। আমাদের একটি শক্তিশালী গবেষণা ও উন্নয়ন দল রয়েছে।
3 আপনার অর্ডার জন্য OEM পরিষেবা প্রদান।
4। 12 ঘন্টার মধ্যে উত্তর দিন।
5। প্রতিযোগিতামূলক মূল্য অফার, ভাল বিক্রয় পরিষেবা ভাল।
FAQ
প্রশ্ন: আপনি সুফু কেন বেছে নেবেন?
উত্তর: কারণ আমরা 11 বছরেরও বেশি সময় ধরে সৌর আনুষাঙ্গিকগুলির পেশাদার প্রস্তুতকারক। আমাদের কাছে দুর্দান্ত কাঁচা সরবরাহকারী এবং শক্তিশালী ইঞ্জিনিয়ারিং দল রয়েছে।
প্রশ্ন: বিতরণ সময় কি?
উত্তর: প্রিপেইমেন্ট প্রাপ্ত আদেশের আদেশের পরে 15 দিনের মধ্যে।
প্রশ্ন: আপনার ওয়্যারেন্টির পদগুলি কী?
উত্তর: আমরা বিভিন্ন উপাদানগুলির জন্য বিভিন্ন ওয়ারেন্টি সময় অফার করি, বিশদগুলির জন্য দয়া করে আমাদের সাথে যোগাযোগ করুন।
প্রশ্ন: আপনার গুণমান নিয়ন্ত্রণ ব্যবস্থা সম্পর্কে কীভাবে?
উত্তর: গুণমান অগ্রাধিকার। আমরা সর্বদা উত্পাদন শুরু থেকে শেষ পর্যন্ত মানের নিয়ন্ত্রণের জন্য অত্যন্ত গুরুত্ব সংযুক্ত করি। প্রতিটি পণ্য প্যাকিং এবং শিপিংয়ের আগে সম্পূর্ণ একত্রিত এবং যত্ন সহকারে পরীক্ষা করা হবে।
গরম ট্যাগ: সৌর প্যানেল সমস্ত কালো, সরবরাহকারী, নির্মাতারা, কারখানা, কাস্টমাইজড, পাইকারি, কেনা, মূল্য, সেরা, বিক্রয়ের জন্য

